
| 设计与制造按照 | 结构长度按照 | 法兰尺寸按照 | 壁厚按照 | 试验和检验按照 |
| ASMEB16.34 API608 BSEN12510-1 |
ASMEB16.10 JISB2005.DINEN558-1 DIN3202F17(F1DN15-DN100 F7DN125-DN300) F18(F4DN15-DN100/F5 DN125-DN300 |
ASMEB16.5 JISB2238 BSEN 1092-1 |
ASMEB16.34 BSEN12516-1 |
API598 JISB2003 DIN3230/3EN12266 |
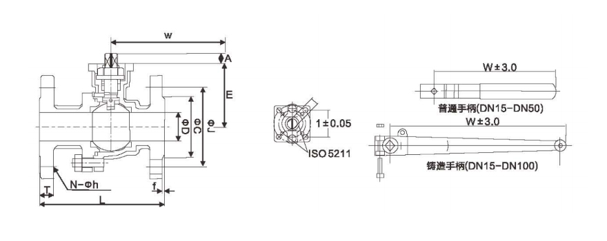
外形尺寸
| SIZE | φD | L | φC | E | φJ | F | T | N | φH | W | IS05211 |
| 1" | 25 | 216 | 50.8 | 123.8 | 88.9 | 6.4 | 23.8 | 4 | 19.1 | 190 | F04 |
| 1-1/2" | 40 | 241 | 73 | 155.6 | 114.3 | 6.4 | 28.6 | 4 | 22.2 | 190 | F05 |
| 2" | 50 | 292 | 92.1 | 165.1 | 127 | 6.4 | 31.8 | 8 | 19.1 | 190 | F05 |
外形尺寸
| SIZE | φD | L | φC | E | L | F | ||||
| 150Lb | 300Lb | 150Lb | 300Lb | 150Lb | 300Lb | 150Lb | 300Lb | |||
| 1/2" | 13 | 13 | 103 | 140 | 35 | 89.0 | 95 | 60.5 | 65.5 | 2 |
| 3/4" | 20 | 20 | 117 | 152 | 43 | 98.0 | 117 | 70.0 | 82.5 | 2 |
| 1" | 25 | 25 | 127 | 165 | 51 | 108.0 | 124 | 79.5 | 89 | 2 |
| 1-1/4" | 32 | 32 | 140 | 178 | 64 | 117.0 | 133 | 89.0 | 98.5 | 2 |
| 1-1/2" | 40 | 40 | 155 | 190 | 73 | 127.0 | 156 | 98.5 | 114.5 | 2 |
| 2" | 50 | 50 | 178 | 216 | 92 | 152.0 | 165 | 120.5 | 127 | 2 |
| 2-1/2" | 65 | 65 | 190 | 241 | 105 | 177.8 | 190 | 139.7 | 149 | 2 |
| 3" | 76 | 76 | 203 | 282 | 127 | 190.5 | 210 | 152.4 | 168 | 2 |
| 4" | 100 | 100 | 229 | 305 | 157 | 228.6 | 254 | 190.5 | 200 | 2 |
| 5" | 125 | 125 | 356 | 381 | 185 | 254.0 | 280 | 216.0 | 235 | 2 |
| 6" | 150 | 150 | 394 | 403 | 216 | 279.4 | 318 | 241.5 | 270 | 2 |
| 8" | 200 | 200 | 457 | 502 | 270 | 343.0 | 381 | 298..5 | 330 | 2 |
| 10" | 250 | 250 | 533 | 568 | 324 | 406.4 | 444 | 362 | 388 | 2 |
| 12" | 300 | 300 | 610 | 648 | 381 | 482.6 | 521 | 432 | 451 | 2 |
外形尺寸
| SIZE | T | N | φH | W | ISO5211 | |||
| 150Lb | 300Lb | 150Lb | 300Lb | 150Lb | 300Lb | 普通 | ||
| 1/2" | 111 | 14.3 | 4 | 4 | 15 | 16 | 120 | F03/F04 |
| 3/4" | 111 | 15.9 | 4 | 4 | 15 | 19 | 120 | F03/F04 |
| 1" | 111 | 17.5 | 4 | 4 | 16 | 19 | 152 | F04/F05 |
| 1-1/4" | 12.7 | 19.1 | 4 | 4 | 16 | 19 | 152 | F04/F05 |
| 1-1/2" | 14.3 | 20.7 | 4 | 4 | 16 | 22 | 190 | F05/F07 |
| 2" | 15.9 | 22.3 | 4 | 4 | 16 | 19 | 190 | F05/F07 |
| 2-1/2" | 17.5 | 25.4 | 4 | 4 | 19 | 22 | 350 | F07 |
| 3" | 19.1 | 28.6 | 4 | 4 | 19 | 22 | 350 | F07 |
| 4" | 23.9 | 31.8 | 8 | 8 | 19 | 22 | 350 | F07/F10 |
| 5" | 23.8 | 35 | 8 | 8 | 19 | 22 | 600 | F07/F10 |
| 6" | 25.4 | 35.6 | 8 | 12 | 22.3 | 22 | 600 | F12 |
| 8" | 28.6 | 41.3 | 8 | 12 | 22.3 | 25 | 600 | F12 |
| 10" | 30.2 | 47.8 | 12 | 16 | 25.4 | 29 | 400 | F12 |
| 12" | 31.8 | 50.8 | 12 | 16 | 25.4 | 32 | 400 | F12 |












浙公网安备 33030302000874号 备案号:浙ICP备20010211号 设计& 维护:乔宇科技